




















除了拥有市场上最优惠的价格之外,我们还为您提供融资购买的可能性,以便您以可承受的成本获得高质量机器。
机器是一项重要投资,因此,我们十分清楚 100% 安全的机器采购和销售流程的重要性,以便您在购买产品时获得所有必要信息。
为了让您无需出行,我们会负责将购买的物品运送到您的工作地点。我们与专门从事此类订单的公司合作,我们可以在原地点销售或一站式销售。
技术信息
CNC控制器: Mitsubishi M730UM (CELOS – ERGOline Touch)
加工能力
X-轴行程 mm: 260
Y-轴行程 mm: ±50
Z-轴行程 mm: 795
切削长度 mm: 705
最大回转直径 mm: ø: 366
床身上最大工件回转直径 mm: ø: 920
滑板上最大回转直径 mm: ø: 740
棒料加工能力 mm: 80
刀库
刀架工位数:: 20
刀柄:: BMT40
上刀塔
刀座数量 St .: 20
刀具转速 RPM: 10.000
刀具驱动功率 kW: 5.5/4.9/4.2 (3 min/5 min/cont)
Y-axis travel mm: 100
Rapid Feed Rate: 30
主轴
主轴转速 rpm:: 4.000
主轴驱动功率 kW:: 18.5/18.5/15 (25%ED/50%ED/cont)
主轴通孔直径 mm:: 91
卡盘类型:: Hollow chuck (Ø254 mm) BB210A821
制造商:: KITAGAWA
主轴鼻端:: JIS A2-8
最大扭矩 Nm:: 49
副主轴
副主轴转速 rpm:: 5.000
副主轴驱动功率 kW:: 11/7.5 (25%ED/cont)
副主轴通孔直径 mm:: 73
卡盘类型:: Hollow chuck (Ø210 mm) BB208A621
制造商:: KITAGAWA
副主轴鼻端:: JIS A2-5
最大扭矩 Nm:: 22
副主轴行程 mm: 734
冷却系统
冷却箱容量 L: 366
设备
电子手轮
排屑器
信号灯
高压泵
水雾收集器
Workarea light
Chuck foot switch (double) for main and counter spindle
Coolant gun
测量探头
纸带过滤器
Preparación para trabajar con robot
Robot data – Fanuc – R-30iA / Type M-16iB/20
Clamping by robot: ø40 to 220mm x Hight 20mm
Availability of 10 pallets in the warehouse (10 slots)
Max. Weight by robot piece: 5,6kg
工作时间
通电时间:: 23.501
Potencial nominal kVA: 48
Cutting Time: 7.494
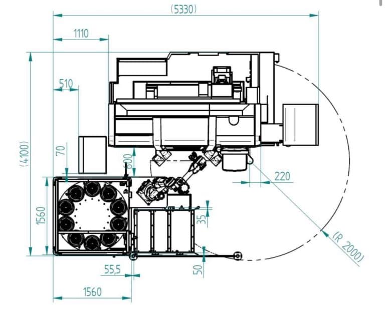
机床尺寸/重量
长 mm: 5.330
宽 mm: 4.100
高 mm: 2.395
重量 kg: 8.360
客户意见谁购买了 工业的 设备 在 3Axis Group
董雁冰
CEO
Cillian Weber
CEO
DMG MORI
德国
2018
申请预算
销售部门
DMG MORI
NLX 2500 SY 700





















德国
2018
CNC控制器: Mitsubishi M730UM (CELOS – ERGOline Touch)
加工能力
X-轴行程 mm: 260
Y-轴行程 mm: ±50
Z-轴行程 mm: 795
切削长度 mm: 705
最大回转直径 mm: ø: 366
床身上最大工件回转直径 mm: ø: 920
滑板上最大回转直径 mm: ø: 740
棒料加工能力 mm: 80
刀库
刀架工位数:: 20
刀柄:: BMT40
上刀塔
刀座数量 St .: 20
刀具转速 RPM: 10.000
刀具驱动功率 kW: 5.5/4.9/4.2 (3 min/5 min/cont)
Y-axis travel mm: 100
Rapid Feed Rate: 30
主轴
主轴转速 rpm:: 4.000
主轴驱动功率 kW:: 18.5/18.5/15 (25%ED/50%ED/cont)
主轴通孔直径 mm:: 91
卡盘类型:: Hollow chuck (Ø254 mm) BB210A821
制造商:: KITAGAWA
主轴鼻端:: JIS A2-8
最大扭矩 Nm:: 49
副主轴
副主轴转速 rpm:: 5.000
副主轴驱动功率 kW:: 11/7.5 (25%ED/cont)
副主轴通孔直径 mm:: 73
卡盘类型:: Hollow chuck (Ø210 mm) BB208A621
制造商:: KITAGAWA
副主轴鼻端:: JIS A2-5
最大扭矩 Nm:: 22
副主轴行程 mm: 734
冷却系统
冷却箱容量 L: 366
设备
电子手轮
排屑器
信号灯
高压泵
水雾收集器
Workarea light
Chuck foot switch (double) for main and counter spindle
Coolant gun
测量探头
纸带过滤器
Preparación para trabajar con robot
Robot data – Fanuc – R-30iA / Type M-16iB/20
Clamping by robot: ø40 to 220mm x Hight 20mm
Availability of 10 pallets in the warehouse (10 slots)
Max. Weight by robot piece: 5,6kg
工作时间
通电时间:: 23.501
Potencial nominal kVA: 48
Cutting Time: 7.494
机床尺寸/重量
长 mm: 5.330
宽 mm: 4.100
高 mm: 2.395
重量 kg: 8.360
申请预算
销售部门
除了拥有市场上最优惠的价格之外,我们还为您提供融资购买的可能性,以便您以可承受的成本获得高质量机器。
机器是一项重要投资,因此,我们十分清楚 100% 安全的机器采购和销售流程的重要性,以便您在购买产品时获得所有必要信息。
为了让您无需出行,我们会负责将购买的物品运送到您的工作地点。我们与专门从事此类订单的公司合作,我们可以在原地点销售或一站式销售。
董雁冰
CEO
Cillian Weber
CEO